Как выбрать и установить электросчётчик в гараж
Установка индивидуальных приборов потреблённой электроэнергии требуется не только в жилье, но и на других объектах, в том числе – в гаражах. Рассмотрим особенности выбора и установки электросчётчика в гараже, с учётом предусмотренных разновидностей выпускаемых аппаратов, правил их монтажа и подключения.
Виды
Выпускаемые электросчётчики различаются по нескольким критериям. Это распространяется и на приборы учёта, приобретаемые для установки в гараже. Рассмотрим детальнее разновидности таких аппаратов.
По количеству фаз
По числу фаз, счётчики бывают:
- однофазными – когда подключается по одному фазному и нулевому проводам;
- трёхфазными – при одном нулевом проводе присутствует 3 фазных.
Трёхфазные приборы работают на напряжении величиной 380 В и предусматривают возможность использования станочного и сварочного оборудования, хотя и при однофазном счётчике их тоже можно использовать, если у вас все рассчитано правильно.
По числу тарифов
По данному показателю выпускаются аппараты:
- однотарифные,
- двухтарифные,
- многотарифные – учитывающие показания при нескольких тарифах.
Многотарифные приборы программируются таким образом, что показания суммируются отдельно для времени действия определённого тарифа. Это позволяет владельцу сэкономить, перенеся использование энергоёмкого оборудование на период времени, когда действует более дешёвый тариф.
По принципу работы
По принципу работы, потребитель может отдать предпочтение аппарату следующего типа:
- индукционного – устаревшая, но более простая модель, принцип действия которой основан на вращении диска за счёт воздействия электромагнитного поля потребляемой энергии, с отсчётом показаний посредством масштабирующего редуктора;
- электронного – современные модели, преобразующие поток энергии за счёт схемы печатной платы и выводящей данные на жидкокристаллический дисплей;
- гибридного – совмещение двух вышеуказанных видов приборов, где вращение диска преобразуется в отчётные данные электронной схемой.
Первые из указанных счётчиков предусматривают учёт по одному тарифу. Электронные позволяют, наряду с многотарифным измерением, выполнение многочисленных дополнительных опций по контролю показателей сети, хранению данных и прочих функций.
По способу подключения
Счётчики могут предусматривать следующие способы подключения:
- непосредственное – когда провода подключаются непосредственно к прибору, согласно паспортной схеме;
- трансформаторное – с использованием дополнительных трансформаторов, через которые подсоединяется счётчик к сети.
Обычно через трансформатор подключаются трёхфазные приборы.
Как правильно выбрать
Выбор электросчётчика зависит от особенностей эксплуатации сети:
- однофазный индукционный – подойдёт при незначительном расходе энергии, обычно только для освещения и включения потребителей небольшой мощности;
- трёхфазный электронный – если предполагается использование станков и сварочного агрегата. Такой прибор, как правило, необходимо подключать через трансформатор;
В последнем случае владелец получает возможность учитывать потребление по нескольким тарифным планам.
Также следует учитывать температурный диапазон прибора, исходя из условий эксплуатации. Важно правильно определиться с токовыми характеристиками счётчика и мощностью автомата на включении. Это также зависит от суммарной мощности подключаемых устройств.
Короба для прибора учёта
Учитывая характер эксплуатации электросчётчика, важно обеспечить его надёжную защиту. Это обеспечивается использованием специального короба. Такие боксы маркируются следующим образом, в зависимости от разновидности:
- ЩУ – наиболее простая модель,
- ЩВР – короб, заглубляемый в стену,
- ЩРН – навесной распределительный бокс.
Кроме самого счётчика, внутрь бокса могут помещаться защитный автомат, заземляющие и нулевые шины.
Короб может предусматривать следующую конструкцию:
- напольную;
- встраиваемую;
- накладную (навесную);
- скрытую или открытую;
- цельную или разборную.
Выбор должен определяться типом прибора и разработанным проектом установки. Для этого владельцу необходимо воспользоваться помощью соответствующих специалистов.
Как правильно выбрать ящик для электросчётчика.
Установка счётчика в короб
Первым делом необходимо выполнить монтаж короба. Бокс крепится к стене у входа в помещение гаража. Для этого используются дюбеля, вставляемые в стену.
Высота расположения бокса от уровня пола – от 0,8 до 1,7 м, чтобы обеспечить удобство снятия показаний.
После установки короба, крепится сам счётчик. Прибор учёта устанавливается, в зависимости от конструктивных особенностей – с помощью ДИН-рейки или тремя винтами. Последний способ характерен для устаревших моделей. ДИН-рейка применяется в аппаратах нового типа.
Далее устанавливаются дополнительные устройства – входные автоматы, контролирующие блоки и пр. Дополнительное оборудование может крепиться отдельно или на одной ДИН-рейке с электросчётчиком.
Как подключить счётчик
На следующем этапе подключается счётчик. Для этого необходимо предварительно отключить подачу тока, чтобы подключение осуществлялось с соблюдением мер безопасности. Рассмотрим возможные схемы подключения, в зависимости от разновидности счётчика.
Однофазный
Ниже приведена типичная схема подключения однофазного прибора учёта:
На приведённой схеме фазный провод, подключаемый через автоматический выключатель, обозначен красным цветом, а нулевой – синим.
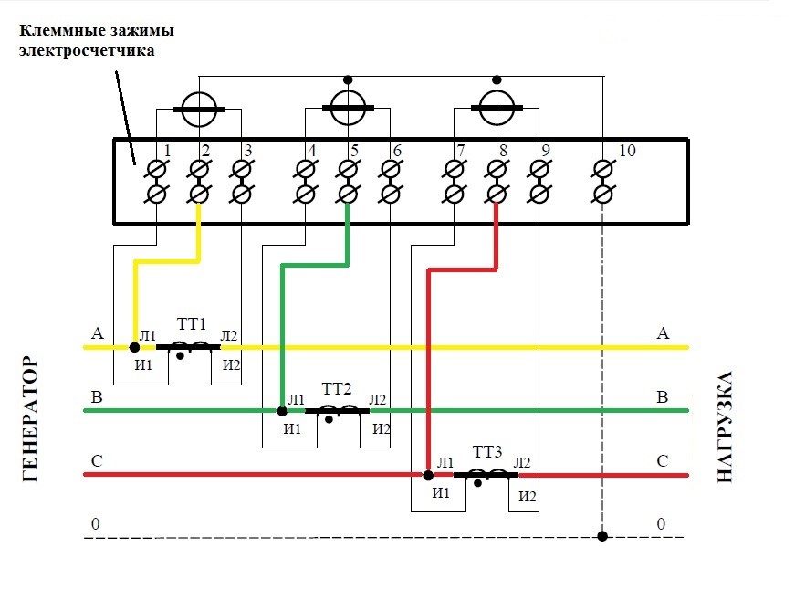
Трёхфазный
Трёхфазный прибор может предусматривать непосредственное и трансформаторное подключение.
При непосредственном подключении применяется следующая схема:
Здесь также не представляет труда разобраться в расположении контактов по каждой из фаз и нулевому проводу.
Одна из возможных схем трансформаторного подключения:
Прибор должен подключаться по схеме, изображённой на крышке клеммной коробки или в паспорте аппарата. В противном случае, её можно отыскать в интернете по модели счётчика.
Нюансы
Выбор и установка электросчётчика в гараже должны производиться с учётом следующих нюансов:
- общей токовой нагрузки – обычно её значение составляет в пределах 50 А, если предполагается использование мощного оборудования, необходимо выбрать изделие с большей характеристикой;
- вида сети – одно- или трёхфазной;
- способа крепления – в зависимости от этого, подбирается короб;
- количества тарифов – определяет выбор вида прибора;
- класса точности – обычно в пределах от 1,5 до 2.
Владельцу необходимо убедиться, что аппарат сопровождается необходимой паспортной документацией, качество изделия подтверждается соответствующим сертификатом. Необходимо приобрести требуемое дополнительное оборудование.
Правильно выбранный и установленный прибор учёта обеспечит нормальную эксплуатацию оборудования, подключённого в гараже, и избавит собственника от проблем с поставщиком ресурсов.

















