Электросчётчик НИК 2301 — обзор и преимущества прибора
Электросчётчик Ник 2303 – трёхфазный прибор с электромеханическим счётным устройством, предназначенный для учёта активной энергии, с итогом в сторону нарастания, по одному тарифному плану.
Энергомер отличается следующими особенностями:
- возможностью подключения в сети с 3-мя или 4-ми проводами непосредственно или с использованием трансформатора;
- номинальной частотой – 50 Гц;
- предельным электротоком – 10, 80 и 120 А (для различных исполнений);
- рабочим электротоком – 5 А;
- степенью защищённости — ІР54;
- присутствием импульсной точки подключения;
- числом разрядов на табло – 6 и 1 для десятичного значения;
Прибор оборудован индикатором, сигнализирующим об интенсивности потребления энергии частотой мигания.
Срок службы прибора
Расчётный срок эксплуатации устройства – 30 лет, гарантия – первые 3 года.
Межповерочный интервал
Прибор поверяется с периодичностью не более 16 лет, о чём делается соответствующая отметка в паспорте. Изначально устройство поверяется изготовителем.
Стоимость счётчика
Стоимость прибора – около 3-х тысяч рублей, в зависимости от региона и способа приобретения. Также цена устройства зависит от расценок торгового представителя, предлагающего продукцию к продаже.
Преимущества прибора
Электросчётчик данной модели отличается следующими преимуществами:
- высокой степенью защиты от постороннего воздействия магнитным полем;
- большим классом точности;
- незначительными объёмами собственного потребления электроэнергии;
- наличием удобной крышки клемм, из прозрачного пластика;
- удачной конструкцией корпуса;
- надёжностью и долговечностью.
Эта продукция украинского производителя полностью соответствует российским стандартам качества.
Как снять показания
Сведения отображаются на электромеханическом 6-разрядном табло. Чтобы вычислить израсходованный объём электроэнергии по данному месяцу, выписываются значения в начале и конце периода, определяется разница, полученное число умножается на расценку.
Разновидности данного счётчика
Счётчик производится в 5-ти основных исполнениях, имеющих некоторые различия. Детальнее о модификациях.
АП1, АП2, АП3
Модели с прямым подключением (буква П в маркировке), цифры 1, 2 или 3 определяют значение показателей по току и напряжению.
АТ1
Модификация, подключаемая посредством трансформатора.
АК1
Модель с возможностью комбинированного подключения.
У отдельных разновидностей модификаций в обозначении присутствует буква В, обозначающая выпуклую форму передней панели корпуса.
Установка счётчика
Прибор устанавливается на ДИН-рейку. Способы подключения зависят от модификаций.
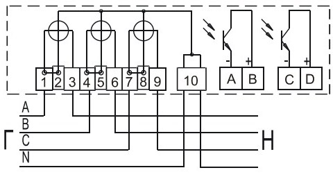
При непосредственном подключении моделей АП1, АП2, АП3 применяется следующая схема:

НІК 2301 АП2-127**, НІК 2301 АП3-127**, НІК 2301 АП1*В, НІК 2301 АП2* В, НІК 2301 АП3* В , НІК 2301 АП1-127* В, НІК 2301 АП2-127* В, НІК 2301 АП3-127* В
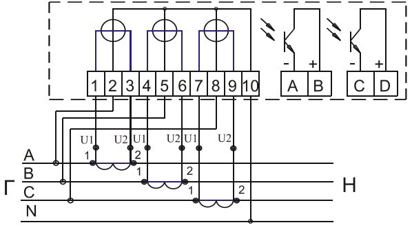
Модификация АК1 подключается так:
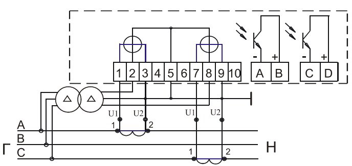
При подключении исполнения АТ1 выбирают следующую схему:
Эта надёжная и доступная по цене модель энергомера обеспечит длительную эксплуатацию и достоверность учитываемых параметров.












